PTFE 透氣膜在電子傳感器中的應用
標簽: PTFE濾膜
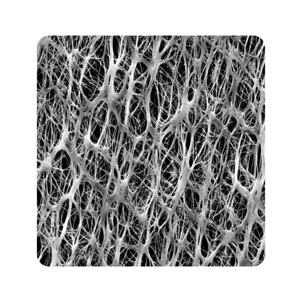
PTFE透氣膜在傳感器中的作用
在電子行業中,為了確保電子傳感器的精確性、敏感性,因此需要使用含有PTFE透氣膜的保護裝置。保護透氣裝置允許氣體透過而阻止污染物,水等的進入傳感器,這樣保護傳感器免受污染,確保它的敏感性。邁博瑞公司的保護裝置因具有較好的透氣性,可以有效平衡因溫度變化帶來的壓降,從而延長傳感器的使用壽命。
相關產品
|
|
|
| PTFE疏油透氣膜-PTFE疏油膜 | PTFE疏水透氣膜-PTFE疏水膜 |
特點及優勢
- 1、抗污染性強:防止水、鹽、其它腐蝕性液體的污染,保障傳感器的準確性
- 2、高透氣量:確保適當的透氣,壓力平衡,減少密封條上的壓力
- 3、便于安裝
PTFE透氣膜主要在哪些傳感器上使用
- 1、傾角傳感器
- 2、加速度計傳感器
- 3、濕度傳感器
- 4、化學傳感器
- 5、位置傳感器
- 6、溫度信號傳送器
- 7、磁阻傳感器
- 8、角傳感器
PTFE透氣膜性能參數
1、膠系列
| 規格 | 系列 VE8 | 系列 VE7 | 系列 VE9 |
| 透氣量 (DP = 70 mbar) | 3300 ml/min/cm2 | 290 ml/min/cm2 | 1150 ml/min/cm2 |
| 膜特性 | 疏油 | ||
| 膜顏色 | 白色 | 黑色 | 白色 |
| 支撐材料 | PET 無紡布 | 無 | |
| 膠粘劑類型 | 丙烯酸 | 有機硅 | |
| 厚度 | 0.26 mm | 0.34 mm | 0.32 mm |
| 安裝位置 | housing內部 | Housing內部或外部 | |
2、螺旋式系列
| 規格 | PMF100318 PMF100319 |
PMF100320 PMF100321 |
PMF100391 PMF100392 |
PMF100519 PMF100520 |
PMF100444 | PMF200542 |
| 透水壓 | >0.6bar/30sec | >0.6bar/30sec | >0.3bar/30sec | >0.3bar/30sec | >0.3bar/30sec | >0.3bar/30sec |
| 透氣量 | 450ml/min (dp=70mbar) |
450ml/min (dp=70mbar) |
2500ml/min (dp=70mbar) |
2000ml/min (dp=70mbar) |
1700ml/min (dp=70mbar) |
16ml/min (dp=12mbar) |
| 膜特性 | 疏油 | 疏油 | 疏水 | 疏油 | 疏油 | 疏油 |
| 安裝高度 | 5.6mm | 5.6mm | 5.6mm | 5.6mm | 11.5mm | 9.7mm |
3、嵌入型系列
| 規格 | 透水壓 | 透氣量(dp=70mbar) | 膜特性 | 安裝高度 |
| VE0006GSV | >0.3bar/30sec | 35ml/min | Oleophobic | 1.5 mm |










